VEGASOURCE 81, 82 & 83 er blyisolerede kildeholdere til radiometrisk niveaumåling. De indeholder en radioaktiv kilde, som udsender gammastråling og fås med 5, 30, 40, 45 og 60 graders emissionsvinkel.
Anvendelsesområder
VEGASOURCE anvendes til strålingsbaseret densitets-, masseflow- og niveaumåling og kan anvendes i en række forskellige applikationer, hvor præcis måling af niveau og densitet er vigtig.
Fordele
- Pålidelig afskærmning tillader brug uden kontrolområde
- Reduceret pladsbehov og enkel montering
- Driftssikkerhed gennem pneumatisk ON / OFF kontakt (Option)
Hvilken kildeholder skal jeg vælge?
Kildeholderne har hver deres max grænse for, hvor kraftige deres Cæsium 137 kilde må være og den fysiske størrelse, vægt og udformning varierer derfor på de 3 kildeholdere i serien. VEGA har lavet kildeholderne så lette som muligt - MEN, med strålingssikkerheden i højsæde!
Fælles for kildeholderne i denne serie er at, du kan vælge, om de skal være med 5, 30, 40, 45 eller 60 graders emmisionsvinkel

Materiale:
Huset og flangerne er lavet af stål eller rustfrit stål og de indvendige dele og kildeindsatsen af rustfrit stål. Som afskærmnings materiale anvendes bly.
Det er blyforingerne i kildeholderne, som beskytter mod den radioaktive udstråling, og disse må og skal have den tykkelse der modsvarer kildekapslernes strålingsstyrke (mCi) og dermed formår at afskærme omgivelserne fra radioaktiv stråling.
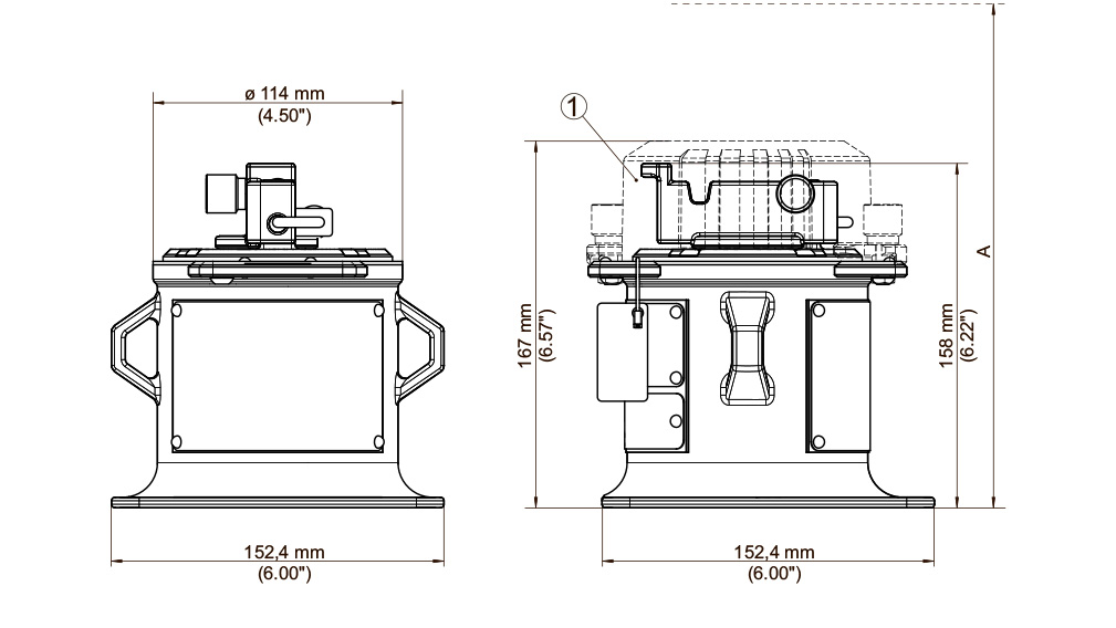
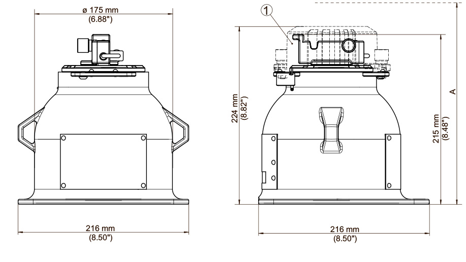
Kildegrænse og dimensioner på kildeholderen
VEGASOURCE 81
SE81 må indeholde max. 20 mCi.

VEGASOURCE 82
SE82 må indeholde max. 200 mCi.

VEGASOURCE 83
SE83 må indeholde max. 5000 mCi.

Opbygningen af VEGASOURCE 8X kildeholderne
VEGASOURCE kildeholderne er foret med bly, og inde i kildeholderen sidder den radioaktive kilde. Denne er en lille metalcylinder på bare 16mm, som indeholder en lille skive af keramik, hvorpå der er dryppet lidt radioaktivt materiale.
Designet sørger for, at gammastrålingen kun udsendes i én defineret retning og beskytter pålideligt miljøet mod gammastråling i alle andre retninger og giver dermed en optimal afskærmning af brugeren, samt beskytter den integrerede gammakilde pålideligt.
Kilden sidder en lille smule asymmetrisk i kildeholderen, så når kilden skal lukkes, drejes kilden væk fra åbningen i kildeholderen. VEGA har i SE8X serien forbedret lukkemekanismen, hvilket betyder at hele lukkesystemet er blevet "tættere", så mindre radioaktivitet slipper ud i lukket position.
Det er muligt ved store måleområder, at anvende to eller flere kildeholdere.

Forskellige versioner tilgængelige
Det er som standard muligt at låse kilden i OFF (lukket) positionen med hængelås. Kildeholderne fås dog med optioner, som selvfølgelig opfylder de særlige sikkerhedskrav til kildehåndtering.
- Option: ON / OFF positionen kan sikres med en lås
- Option: Elektrisk eller pneumatisk tænd / sluk kobling
Monteringen er gjort nem
Designet på disse kildeholdere er valgt, for at gøre monteringen af dine instrumenter så nemt for dig som muligt, og sikre dig præcise målinger.
De tidligere kildeholdere fra VEGA (fx VEGASOURCE 31) forskyder i nogen grad centerpunktet for kildekapslen ift. åben / lukket position, hvilket kan besværliggøre installationen af kildeholderen på dens placering. Dette er i denne serie blevet optimeret, så strålingsåbningen i kildeholderen ikke forskydes i forhold til centerpunktet på holderen, når denne henholdsvis åbnes og lukkes.
Dette betyder for dig, at det er lettere at monterer kildeholderne præcist ift sensoren.
Hvordan virker det?
Radiometrisk eller strålingbaseret måling lyder kompliceret, men det er relativt let at forstå. En isotop med lav strålingsintensitet er anbragt i en kildeholder på den ene side af en beholder eller et rør. Den sikre kildeholder samler energien, så den kun rettes mod detektoren placeret på den modsatte side. Når beholderen eller røret fyldes med medie, når mindre energi til detektoren og deraf udledes en niveaumåling af transmitteren. Videoen præsenterer hvordan de radiometriske produkter fra VEGA virker.
Vil du læse mere, kan du besøge vores side om Radiometrisk niveau.
Sikkerhed ved forsendelse
Radioaktive kilder kan kun sendes, når en håndteringstilladelse eller en importlicens er tilgængelig. Transporten udføres i en type A-emballage i henhold til europæiske aftale vedrørende international transport af farligt gods (ADR og DGR/IATA). Kildeholderene er tilstrækkelige som type A-emballage (IATA-forskrifter) til transport af den radioaktive kilde. Kildeholderen leveres i kontaktposition OFF. Stillingen er sikret med lås.
KONTAKT VORES EKSPERT
Jørgen Strange
Product Manager - Level and pressure
Tlf: +45 2761 4508
Email: Jorgen.Strange@insatech.com
| Tekniske Specifikationer | |||||||||||||||||||
|---|---|---|---|---|---|---|---|---|---|---|---|---|---|---|---|---|---|---|---|
| Omgivelsestemperatur | -20 ... 80 °C |
||||||||||||||||||
Produktspecifikation og manualer
-
Manual VEGASOURCE 81
English | pdf -
Tekniske Specifikationer VEGASOURCE 81
English | pdf -
Manual VEGASOURCE 82
English | pdf -
Tekniske Specifikationer VEGASOURCE 82
English | pdf -
Manual VEGASOURCE 83
English | pdf -
Tekniske Specifikationer VEGASOURCE 83
English | pdf -
Supplerende instruktionsmanual VEGASOURCE 81-81-83
English | pdf
Fandt du ikke det du søgte?
Leder du efter noget bestemt materiale, så skriv til os. Så vil vi forsøge at finde det til dig, og sende det hurtigst muligt.