VariBull Desuperheater

The VariBull valve from Carraro offers a durable and compact design, ideal for controlling and reducing steam temperature. With its threaded DM nozzle fitted in a shaped fitting, it's designed for easy maintenance and optimal performance. The multiple design (MDM) version features several nozzles for improved desuperheating efficiency at different flow rates.

The VARIBull gives you the following benefits:

  • Robust and compact design
  • Easy maintenance access
  • Efficient temperature control
  • Multiple nozzle options for flexibility.

For sales or commercial inquiries please contact us at marine@insatech.com.

Contact us now

Robust and Compact Design for Steam Temperature Control

The VariBull valve is engineered for durability and efficiency in steam temperature control and reduction. Its compact design features a DM nozzle threaded inside a drilled cage, which is fitted into a shaped fixture welded directly to the main steam pipe or a separate chamber. This design includes a flanged plate at the end, facilitating easy maintenance of the internal parts.

The single-nozzle design is typically installed downstream from a valve on an integral extension of the body, acting as the injection chamber, providing a streamlined solution for temperature management.

Key Features of the VARIbull Desuperheater

The VARIbull has several benefits. See some of them listed below:

  • Robust and compact design: Engineered for durability and ease of maintenance
  • Integrated DM nozzle: Threaded inside a drilled cage for effective temperature control
  • Multiple nozzle configurations: Supports various nozzle sizes and settings for enhanced desuperheating performance
  • Uniform pressure distribution: Complex piping ensures even pressure across nozzles
  • Thermal stress management: Symmetrical thermal design to minimize stresses from temperature differences.

Exactly what you need? Contact us now!

Solutions for Diverse Industries

The VARIbull are designed to deliver precise steam temperature control and efficient water atomization across a range of applications such as:

  • Process gases
  • Steam.

The various industries which the desuperheater is suitable for includes, but is not excluded to:

  • Marine
  • Oil & gas
  • General industry
  • Power.

Need more information? Contact us here

Multiple Nozzle Configuration for Enhanced Flexibility

The VariBull MDM (multiple design) version is equipped with several DM wall-mounted nozzles, all connected and welded to an injection chamber inserted into the steam pipe. This configuration can include different-sized nozzles with varying settings, delivering superior desuperheating performance at various flow rates and enhancing turndown capability.

However, the complexity of this design requires careful consideration, especially regarding spare parts availability. The piping connections are designed to ensure uniform distribution of pressure losses, maintaining consistent pressure upstream of the nozzles.

Additionally, the symmetrical thermal design and long arms of the water distributor system reduce thermal stresses caused by differences in water and steam temperatures.

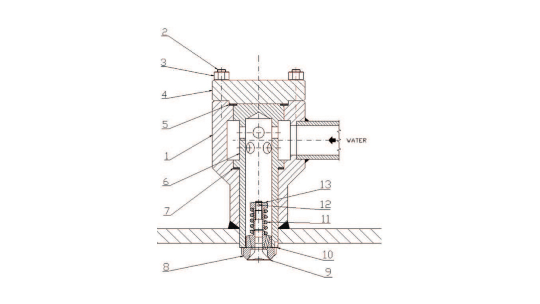
Parts for the VARIbull Desuperheater

The VARIbull has several parts, we have listed them below (and see the drawing):

  1. Valve body
  2. Studs
  3. Nuts
  4. Body cover
  5. Gasket
  6. Cage
  7. Gasket
  8. Nozzle
  9. Plug
  10. Locking Washer
  11. Spring
  12. Pin
  13. Nut.

Contact us now and let's talk price!

Best Practices for Efficient Desuperheating

To ensure efficient desuperheating, careful consideration must be given to the installation and arrangement of the desuperheater within the steam system. Proper placement enhances steam-water mixing and optimizes temperature control.

The key is to maintain ideal steam velocity at the injection point, as higher velocity improves turbulence and facilitates faster evaporation of water droplets.

Additionally, the location of temperature sensors, straight pipe runs, and nozzle orientation must be configured in line with engineering standards. These practices, illustrated in the accompanying figures, are critical to achieving optimal performance and precise temperature regulation in various desuperheating applications.

Contact us now and let's talk price!

For technical questions

Martin Søvind Jensen


Tel: +45 2761 4502

Email: Martin.Sovind@insatech.com

Write to Martin

For commercial inquiries

Astrid Mihut


Tel.: +45 5537 2095

Email: Marine@insatech.com

 

Contact us now

Technical Specifications
Function

Temperature control of the overheated steam

Size

Water: 1/2 ”to 4”

Steam line

8 ”to 40”

Connection
  • Water: Flange 
  • Vapor: Flange RF or welding end (BW)
Pressure step

Max ANSI 2500

CV

0.9 to 150

Material
  • Valve body: Alloy steel
  • Nozzle head: Stainless steel (AISI 422)
Temperature

Max 570 °C

Nozzles

6 different sizes

Rangeability

Up to 30: 1

Water quantity

Max 60 m3 per. hour

Delta P
  • Min. 1.5 bar(g)
  • Max. 30 bar(g)
Cooling

Max. Is very dependent on the number of nozzles and the number of nozzle heads

Product specifications and manuals

  • Brochure - VariBull - Carraro
    English | pdf
  • Manual - VariBull - Carraro
    English | pdf

Didn't you find what you were looking for? 

If you are looking for some specific material, please write to us. Then we will try to find it for you, and send it as soon as possible.

Fill out the contact form 

Consent for storing of submitted data *


This site is protected by reCAPTCHA and the Google Privacy Policy and Terms of Service apply.

To top

Search