Empty Bearing Distance Monitoring System

The Bearing Monitoring System from HORN makes continuous surveillance of your engine in relation to the distance between the sensor and the cross hear in its lower dead point position, which is a measure of the bearing wear.

One of the key benefits of the 2-stroke bearing monitoring system is improved reliability. By detecting potential issues early, operators can take proactive measures to prevent failures and minimize downtime. This can help to increase the overall lifespan of the engine and reduce the need for costly repairs. 

Moreover, the system benefits you because of the:

  • Fully controlled bearing status
  • Up to 72 sensors in different locations for thermal and distance sensing
  • Integrated water in oil sensing system
  • Trend displays for long-term information
  • Retrofit solution available.

For sales or commercial inquiries please contact us at marine@insatech.com.

Contact us now

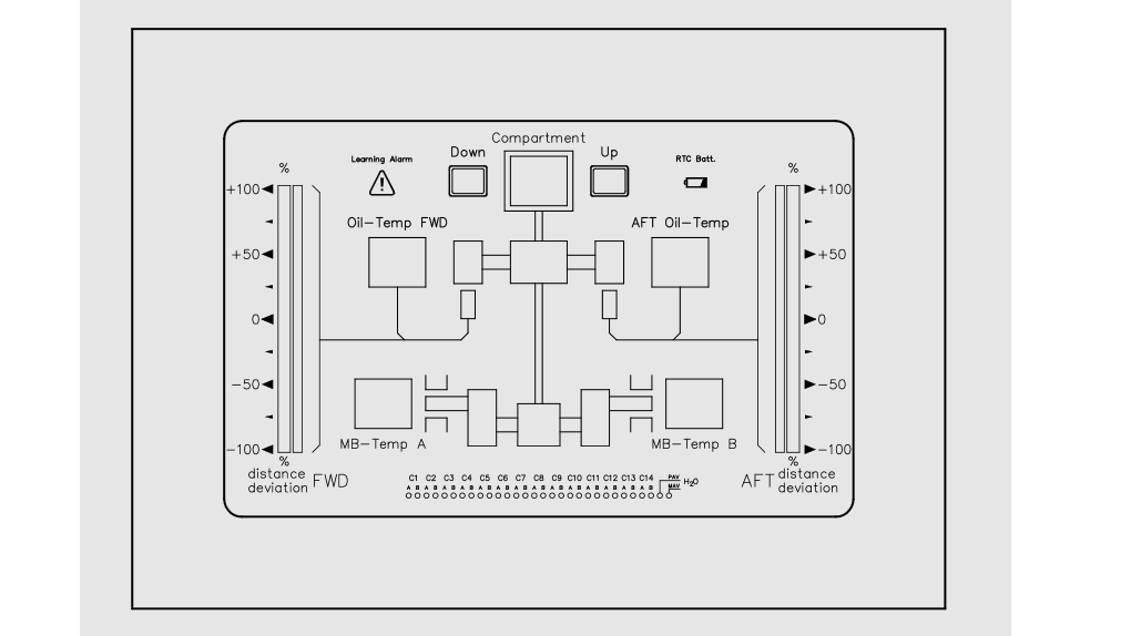
An overview of the system

The Sensor Box SBX010x reads the values from the distance, temperature, and the water in oil. The values are then transferred through the ethernet to the Monitoring Unit MPU050x.

The Sensor Box, also referred to as the data collection unit, provides all connected sensors with power, as well as acts as a data transfer unit switching and arranging the signals received from all the sensors into an ethernet signal. You can read more about the Sensor Box here.

Moreover, the Sensor Box tracks the status of each sensor, and if the status of one of the sensors changes it gives the information to the monitoring box. You can read more about the Monitoring Unit here.

Most often the Monitoring Unit will be placed in the engine control room, where it calculates the measured distances and oil temperatures of each compartment. Simultaneously, it compares the values with defined alarm limits of the engine manufacturers and if necessary, the related alarm and, thus the relay, will be activated.

A big advantage of the Monitoring Unit is also that all measured values are stored in the internal memory, as well as on a SD-card.

NOTE: The Bearing Monitoring System from HORN can be installed as a retrofit into engines, which are already in system. Furthermore, the system is type approved.

Typical applications

The Bearing Distance Monitoring System can be used in various settings including:

  • 2-stroke diesel engines
  • Bearing wear measurement
  • Conrod and crosshead splash oil temperature measurement
  • Main bearing temperature measurement
  • Cylinder liner temperature sensing.

The bearing distance monitoring system is, thus, highly applicable also in the maritime industry.

Get more information here

The working principle in 3 steps

1st Step: Crosshead position control in the lower dead end. 
Securing that the double sensor alignment for monitoring is straight on the movement of the crosshead. Be aware that each sensor, has a detection range of 4mm.  

2nd Step: Signal conditioning and evaluation. 
There will be alarms when reaching a faulty orientation of the crosshead. Moreover, it collects data of up to 72 sensors. Data that includes position, temperature, and water in oil.

3rd Step: This is optional: A touch screen. 
HORN has a 10” touch screen available to give you easy access to data. This can give you an overview of event memory, data log, trend analysis, and real-time monitoring.

Does it match your need - contact us here

The components included in the system
MPU050x

Monitoring unit

SBX01030x

Sensor box for 3 cylinders

SBX1090x

Sensor box for 9 cylinders

EDS00051

Electronic data switch with power distribution to SBX01030x

EDS00050

Electronic data switch without power distribution

IW00018x

Distance sensor with brackets

TGL00922x

Temperature sensors

FRG00035-I-x

Water in oil sensor type

TGL00942x

CLTS sensors (cylinder liner temperature)

EV325000

Data display

The heart of the system: Monitoring Unit MPU050x

The Main processing unit, the Monitoring Unit MPU050x is the hear of the Bearing Distance Monitoring System (also called the BMS3 or the BMDS3). This unit receives all the data from the connected sensors.

Moreover, you can select pre-alarms and load reductions relays.

All calculated sensor data are stored on a SD card, which allows the view of the last 24 hours data in real time. Thus, a very efficient and useful short-term storage option. The long-term storage includes the maximum, minimum, and average values for every 6 running hours.

OBS: The storage capacity of this main processing unit is approximately 10 years.

Furthermore, you most often can avoid an open-up for the purpose of presenting bearing data to surveyors from classifications societies because the bearing data can be exported and analyzed without the open-up.
The event log, thus, contains alarms, slowdowns, and other important information that you retrieve and share.

Need our help? Contact us now.

The Monitoring Unit MPU050x connecting via ethernet

You can connect to the unit via ethernet connect and an FTP server is provided, so you easily can download data via the ethernet port. Moreover, a web interface is accessible via the public ethernet port with HTTP protocol, which means that there is no requirement for additional software for communication.

Additionally, the web interface provides diagrams for everybody onboard the vessel, the crew, superintendents, classification surveyors, as well as service specialists. At the same time, you can easily download the wear record and tracked values for further investigations.

Exactly what you need? Contact us here

The compact Sensor Box SBX01030x

All single sensors are connected to the Sensor Box SBX01030x, where each sensor port has a LED, so it is easy for you to check the status of the sensor.

Moreover, an interface for the sensors is available; the RS232C or the l2C interface.

All received data will be transferred to the main processing unit, the MPU050x, by using the ethernet technology.

Furthermore, the Sensor Box is connected with the ethernet switch EDS00051(read more about it here) that handles all the communication and the power supply. A very practical features is that the power supply is internally galvanic isolated.

Additionally, an analog output is available and can be used to provide the sensor information directly to external systems in the area of the Sensor Box for example regarding analog water in oil data.

Do you have any questions? Contact us

Routing data with the Electronic Data Switch EDS00051

The Electronic Data Switch EDS00051 is used as an ethernet witch, where the data is routed in packaged from the connected Sensor Box to the Monitoring Unit and back.

4 ports support the power supply for the Sensor Box.

Via the ethernet it is possible to run the communication between the Electronic Data Switch and the Monitoring Unit even without any additional power supply.

To provide a fast connection status indication each ethernet port has link and transfer indication LEDs.

Exactly what you need? Contact us here

Intelligent Distance and RPM Sensor IW000184

Inside the Bearing Distance Monitoring System there is an intelligent high-speed dual sensor, this is the distance sensor IW000184 with an electrical short circuit protection.

This sensor can measure the distance in a range between 2.0 … 6.0 mm. with a high resolution of 0.01 mm.

The role of the sensor is to detect the crosshead within its position range and calculate the lowest air gap distance in mm. The values will be stored in the internal buffer, which is updated continuously at every revolution. The Sensor Box then collects the data from the buffer through a serial link and compares the data with the defined limits.

Get more information here

Correct installation and connection of the Distance Sensor IW000184

The Sensor is marked with a specific ID number that allows the installer to identify the sensor to ensure that the FWD- and ATF-sensors per cylinder are connected correct to the network, as well as they are installed correctly.

Moreover, the sensor is also supplied with a LED light, which indicate correct power supply.

The sensor is delivered with a connector and 15m oil resistant PUR cable, which makes it possible to connect it to the outside through the cable glands in the engine wall. Also, this connection makes it easy to exchange in case it should be necessary.

OBS: The sensor in both a long version (132 mm.) and a short version (122 mm.).

Does it match your need - contact us now

The Water in Oil Sensor FGR00035x

The base of the Water in Oil Sensor FGR00035x is using a capacitor to measure the absorption of water in the lube oil, where the physical measured value is the so called “water activity” (AW).

The sensor is mounted in the pressure line or near to the pressure outlet of the lube oil filter.

In general oil can hold a specific amount of dissolved water, where the maximum amount of water the oil can hold is referred to as the “saturation point”. If the values reach above the saturation point free water will fall out, which can cause corrosion inside your engine.  

Thus, if the main alarm of the system is showing, the saturation value is higher than 90%. But the alarm levels of PAV and MAV are adjustable to your wished through the web interface of the device.

OBS: All data from the sensor is transferred through l2C to the Sensor Box.

Need our help? Contact us now!

Continuously observation with the Cylinder Liner Temperature Sensor TGL00942x

Cylinder liner temperature sensors TGL00942x continuously observe the temperature level of each liner. The aim of these sensors is to detect any defects at an early stage and to protect the cylinder liner from permanent damage.

To support the determination of the worst-case temperature level no matter installation tolerances and air gaps inside the liner, each line is equipped with a part of sensors installed in opposite directions.

The design of the sensors is extremely vigorous! The sensor tip in itself can withstand and detect temperatures up to 800 °C and the materials in use are all of stainless steel. Furthermore, the sensor tip can move because of the flexible mechanism inside the sensors. This feature also guarantees the constant mechanical contact between sensing the element and cylinder liner. In case of overheating this feature will also offer a thermal response as wells as very short reaction times.

Protect your engine with the temperature sensor TGL00922x

To measure the main bearing and conrod splash oil you use the temperature sensor type TGL00922x with electrical short circuit protection. The sensor is also available with various housings to fit for alternative bearing support.

Moreover, the flat design also allows for mounting the sensor at the main bearing support very close to the bearing shell. As well as the ability to install the sensor even with strong internal magnets without any problems. Such, features make it a highly valuable sensor in the system.

The installation of this sensor is very easy as it after positioning is secured by oil resistant glue. There is also version available where they are fixed by screws if this is what you need.

All data is transferred through the l2C bus to the Sensor box.

OBS: the maximum operating temperature of the sensor is 125 C.

Do you have any questions? Contact us

Various applications and different temperature sensors available

The temperature sensor is available for the following various applications:

  • TGL00992-1: Splash oil temperature sensor
  • TGL00992-2: Main bearing temperature sensor
  • TGL00992-3: Thrust bearing temperature sensor
  • TGL00992-4: Splash oil temperature sensor
  • TGL00992-5: Main bearing temperature sensor
  • TGL00992-6: Main bearing temperature sensor
  • TGL00992-7: Main bearing temperature sensor
  • TGL00992-8: Main bearing temperature sensor.

Read more in the brochure, which you find here

Visualizing all your data in a display EV325000

In the Bearing Distance Monitor System you also have a data display EV325000 available. It is a 10" touch panels, which can visualize all the data of the web interface of the system. 

This is an on-screen-keyboard,m which you can used to interact with your devices.

Moreover, you can also connect your personal computer to the display and use it as its own display, without any additional software required. 

Get more inforamtion - contact us now!

For technical questions

Martin Søvind Jensen


Tel: +45 2761 4502

Email: Martin.Sovind@insatech.com

Write to Martin

For commercial inquiries

Astrid Mihut


Tel.: +45 5537 2095

Email: Marine@insatech.com

 

Contact us now

  • Brochure - Bearing Distance Monitoring System - HORN
    English | pdf
  • Manual - Bearing Distance Monitoring System - HORN
    English | pdf
  • Data Sheet - Bearing Distance Monitoring System - Alarm Explanation - HORN
    English | pdf
  • Article - Sensor Drawing - Bearing Distance Monitoring System - HORN
    English | pdf
  • Article - Approval Drawing - Bearing Distance Monitoring System - HORN
    English | pdf
  • Article - Evaluation Report Sample - Bearing Distance Monitoring System - HORN
    English | pdf

Didn't you find what you were looking for? 

If you are looking for some specific material, please write to us. Then we will try to find it for you, and send it as soon as possible.

Fill out the contact form 

Consent for storing of submitted data *


This site is protected by reCAPTCHA and the Google Privacy Policy and Terms of Service apply.

Technical specifications for Monitoring Unit MPU050x
Power supply

18 ... 32 VDC, max. permissible ripple ≤ 5 % (protected by automatic fuse)
2 power supply inputs (redundancy)

Power consumption

< 10 W

Polarity protection

Yes

Operating temperature

--25 ... +80 °C

Storage temperature

--25 ... +80 °C

Relative humidity

< 90 %, non-condensing

Protection degree

IP65

Weight

< 2,5 kg.

EMC-standard

DIN EN 55016-2, safety rules acc. EN 61000-4, rules for type approval test accord. DNVGL-CG-0339

Enviromental standard

DIN EN 60068-2 rules for type approval test accord. DNVGL-CG-0339

Current output load

max. 1200 Ω

Ethernet

Transmission rate max. 100 Mbit/s, galvanic isolated, IP-Address adjustable

CAN

Transmission rate 20 kBaud ... 1 Mbaud, galvanic isolated, Node ID adjustable 1...127

Data access

Web page over ethernet, FTP

RTC battery

Lithium-thionyl chloride (Li-SOCl2), 1/2 AA, 3,6V

Connection to PE

Copper mesh band

Cable glands

M16 for sensor

M16 for serial

M16 for analog/binary inputs Cable size M16: ø6 ... 10.5 mm

M20 for power supply M20 for relay Cable size M20: ø8 ... 15 mm

Connectors
  • Ethernet: 1x M12x1, 4 pin D-coded (output), 4 pin connector (internal system)
  • CAN: 1x M12x1, 4 pin A-coded
Sensor interface

Ethernet

Sensor interface (additional)
  • I2C (Variant A)
  • RS422 (Variant B, BMS2 upgrade)
Cable length sensor inputs

Max. 100 m

Additional inputs
  • 2x Binary input (+24 VDC with own supply)
  • 2x Analog input (4-20 mA, others on request)
Output
  • 6x PhotoMOS Relay (Alarm) 
  • 1x PhotoMOS Relay (Ready)
  • 1x Mechanical Relay (Alarm)
  • 1x CAN (120 Ω resistor via switch)
  • 2x Analog output
  • 1x Serial output
  • 1x Ethernet output
Relays

Photo-MOS output: < 60 VDC, 500 mA (Short Circuit Protected SCP)

Analog output

Current output or voltage output (details configurable: 4- 20 mA, 0-20 mA, 0-24 mA or 0-SV, 0-10V VDC), galvanic isolated, user selectable

Serial output

RS422 / RS485, 9600, 19200, 38400, 57600 or 115200 baud, data printout, Modbus

Cable lengths

CAN: Usual CAN connection scheme applies
Ethernet: 100 m
Serial output: 50 m
Analog output: 30 m
Relay: 30 m

Configuration

Web page

Display

Web page, Modbus TCP

RTC setup

Web page, NTP

Technical specifications for the Sensor Box SBX01030x (3 cylinders)
Power supply

18 ... 32 VDC, max. permissible ripple ≤ 5 % (protected by automatic fuse)

Power consumption

< 5 W

Polarity protection

Yes

Operating temperature

-25 ... +85 °C

Storage temperature

-25 ... +85 °C

Relative humidity

<90 %, non-condensing 

Protection degree

IP65

Weight

< 2 kg.

EMC-standard

DIN EN 55016-2, safety rules acc. EN 61000-4, rules for type approval test accord. DNVGL-CG-0339

Enviromental standard

DIN EN 60068-2 rules for type approval test accord. DNVGL-CG-0339

Connection to PE

Copper mesh band

Cable glands

M 12 for sensor
Cable size M12: (1)5 ... 6.5mm

Ethernet connector

1x M12x1, 8 pin X-coded (output, with power supply input)

Sensor interface

6xRS232, with 24 VDC sensor power supply, short circuit protected 8xl2C, with 5 VDC sensor power supply, short circuit protected

Cable length sensor inputs

Max. 15 m (others on request)

Analog output

Current output or voltage output (details configurable: 4-20 mA, 0-20 mA, 0-24 mA or 0-5V, 0-10V VDC), galvanic isolated, user selectable

Current output load

Max. 1200 Ω

Cable length ethernet

Max. 100 m

Cable length analog output

Max. 30 m

Ethernet

Transmission rate max. 100 Mbit/s, galvanic isolated, IP­-Address adjustable

Technical specifications for the Electronic Data Switch EDS00051 with power output
Power supply

18 ... 32 VDC, max. permissible ripples ≤ 5 % (protected by automatic fuse)
2 power supply inputs (redundancy)

Power consumption

< 5 W

Polarity protection

Yes

Operating temperature

-25 ... +85 °C

Storage temperature

-25 ... +85 °C

Relative humidity

< 90 %, non-condensing

Weight

< 2 kg.

EMC-standard

DIN EN 55016-2, safety rules acc. EN 61000-4, rules for type approval test accord. DNVGL-CG-0339

Enviromental standard

DIN EN 60068-2 rules for type approval test accord. DNVGL-CG-0339

Connection to PE

Copper mesh band

Canle glands

M 12 for sensor
Cable size M12: (1)5 ... 6.5mm

Ethernet connector

1x M12x1, 8 pin X-coded (output, with power supply input)

Sensor interface

6xRS232, with 24 VDC sensor power supply, short circuit protected 8xl2C, with 5 VDC sensor power supply, short circuit protected

Cable length sensor inputs

Max. 15 m (others on request)

Analog output

Current output or voltage output (details configurable: 4-20 mA, 0-20 mA, 0-24 mA or 0-5V, 0-10V VDC), galvanic isolated, user selectable

Currrent output load

max. 1200 Ω

Cable length ethernet

Max. 100 m

Cable length analog output

Max. 30 m

Ethernet

Transmission rate max. 100 Mbit/s, galvanic isolated, IP­-Address adjustable

Technical specifications for Distance sensor IW000184
Power supply

15 ... 32 VDC, max. permissible ripple ≤ 5 %

Power consumption

< 1 W

Polarity protection

Yes

Operating temperature

-25 ... + 70 °C

Storage temperature

-25 ... + 85 °C

Relative humidity

< 90%, non-condensing

Protection degree

IP67

Weight

Approx. 0.12 kg.

EMC-standard

DIN EN 55016-2, safety rules acc. EN 61000-4, rules for type approval test accord. DNVGL-CG-0339

Environmental standard

DIN EN 60068-2 rules for type approval test accord. DNVGL-CG-0339

Data interface

RS232

Connector

1x M12x1 4 pin A-coded, R5232 with 24 VDC power supply, short circuit protected

Cable length

Max. 15 m

Technical specifications for Water in Oil sensor FRG00035-I
Power supply

5 VDC, max. permissible ripple ≤ 5 %

Power consumption

< 0.25 W

Polarity protection

Yes

Operating temperature

-25 ... + 125 °C

Storage temperature

-25 ... + 1255 °C

Relative humidity

< 90%, non-condensing

Protection degree

IP67

Weight

Approx. 0.25 kg.

EMC-standard

DIN EN 55016-2, safety rules acc. EN 61000-4, rules for type approval test accord. DNVGL-CG-0339

Environmental standard

DIN EN 60068-2 rules for type approval test accord. DNVGL-CG-0339

Data interface

I2C

Connector

1x M12x1 4 pin A-coded, R5232 with 24 VDC power supply, short circuit protected

Cable length

Max. 15 m (others on request)

Accuracy of humidity measurement

±3 % within -25 ... +85°C

Pressure resistance against medium

10 bar

Technical specifications for Temperature sensor TGL00922x
Power supply

5 VDC, max. permissible ripple ≤ 5 %

Power consumption

< 0.1 W

Polarity protection

Yes

Operating temperature

-40 ... + 125 °C (sensor)

-25 ... + 85 °C (cable)

Storage temperature

-25 ... + 85 °C

Relative humidity

< 90%, non-condensing

Protection degree

IP67

Weight

Approx. 0.1 kg.

EMC-standard

DIN EN 55016-2, safety rules acc. EN 61000-4, rules for type approval test accord. DNVGL-CG-0339

Environmental standard

DIN EN 60068-2 rules for type approval test accord. DNVGL-CG-0339

Data interface

I2C

Cable length

Max. 15 m (other on request)

Accuracy of temperature measurement

±0.5°C (typical from -20°C to 100°C)

Technical specifications for Cylinder liner temperature sensor TGL00942x
Element type

Type K, NiCr-NiAl

Operating temperature

max. 250°C (sensor)

-20°C. .. 85°C (signal converter box)

Max. temperature sensor tip

800 °C

Accuracy of temperature measurement

±2.5°C or 0.007*t (t = measuring value)

Weight

approx. 1 kg (unit)

Protection degree

IP65 (sensor and box)

Standards (converter box)

EMC accord. EN61000-4, vibration accord. DIN EN 60068-2

Technical specifications for Data Display EV325000
Power supply

+24 V DC (18 to 32 V DC)

Power consumption

< 21.6 W

Operating temperature

-10°C to +60°C

Weight

1.65 kg

Data interface

Ethernet

To top

Search