Pålidelighed og reproducerbarhed i masse flow control
Vi forstår bioreaktorer
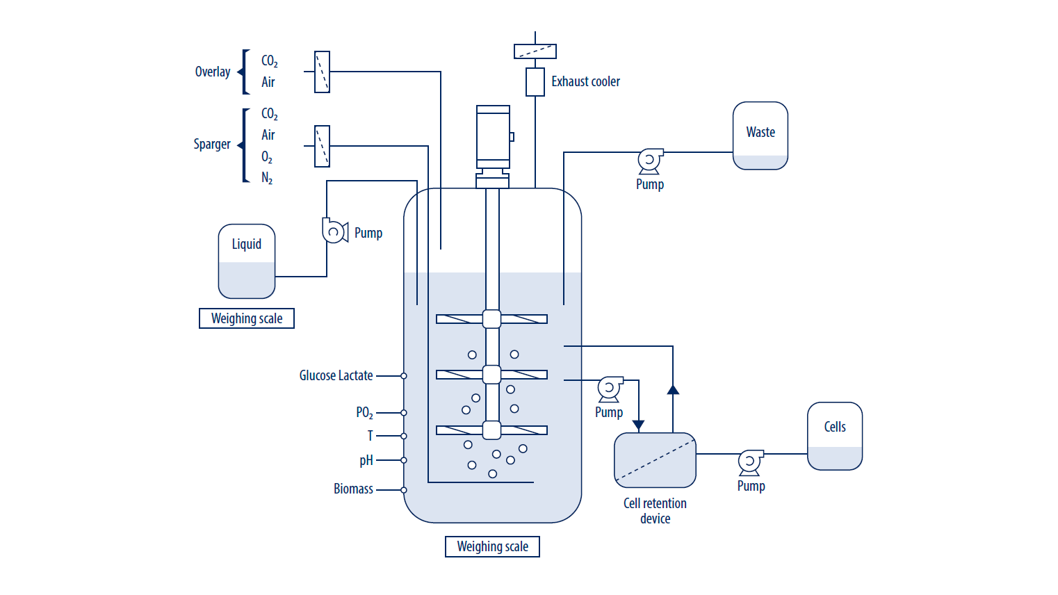
Vi leverer løsninger til bioreaktorgas og -væske, herunder Bronkhorst’s flowinstrumenter, som er velegnede til forsøgs-/laboratorieopstillinger samt industrielle bioreaktorer. De er nøjagtige, robuste, pålidelige og kompakte – og som skræddersyede system-/manifoldløsninger, kan de integreres direkte i dit udstyr.
Bioreaktorer bruges til at producere bioethanol og andre biobrændstoffer, lægemidler, finkemikalier, vitaminer, vacciner, farvestoffer m.m. Fordi nøjagtig dosering af luft, nitrogen, oxygen og kuldioxid til mikrobielle og cellekulturer er afgørende, er nøgleordene i denne sammenhæng nøjagtighed og reproducerbarhed.
